Cottered-Joint

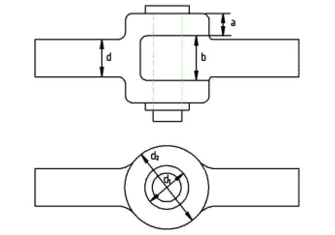
Knuckle-Joint

The joint may fail:



By tearing of the RODS


By tearing across the EYE on the rod


By tearing across the EYE on the FORKED-END


By double shearing of the CROSS-PIN


By crushing between CROSS-PIN and EYE on the ROD END


By crushing between the FORK-EYE and the CROSS-PIN



Estimated Design Dimensions









Built by Alan Martin 2025